
產品分類
更新時間:2023-03-03
瀏覽次數:1358摘要:采用無線射頻技術來測量電纜接頭溫度,設計的無線測溫系統硬件由溫度采集器系統和無線匯集終端系統兩部分組成。將溫度采集器安裝在高壓帶電體被測接點上,溫度采集器的射頻芯片在接受到無線匯集終端發來的溫度讀取指令時會將溫度數據進行打包發送出去,然后由無線匯集終端接收處理數據。該裝置可準確地提供被測設備溫度變化,為設備安全運行提供實時的可靠數據。
關鍵詞:電纜接頭溫度;無線測溫;射頻技術;通信方式。
安裝無線測溫系統必要性
隨著市政工程改造的日益推進,架空絕緣線路入地改造持續增多。電纜大多采用橡膠絕緣,雖然橡膠的絕緣性能好,但是隨著鋪設環境的改變,橡膠發熱老化導致電纜絕緣擊穿成為了電能傳輸過程中的一大障礙。突出表現在電纜鋪入地下使用后,無法直觀對其運行狀況進行檢測,電力電纜長時間運行后易發生絕緣老化,溫度升高、局部放電等問題,導致絕緣擊穿。電力電纜發生故障后,尋找故障點成為困擾電力運維部門的一大難題,通常會浪費大量人力物力,為電力部門帶來難以估計的停電損失。
無線測溫系統設計方案
從取電方式上看,可將在線測溫方式主要分為有源測溫和無源測溫兩種。其中:有源測溫方式有紅外攝像頭測溫方式,利用紅外成像原理進行溫度的實時檢測,但成本非常高;無源測溫傳感器主要有鉑熱電阻溫度傳感器、光纖測溫傳感器、聲表面波測溫傳感器和感應取電測溫傳感器等。
電氣接點無線測溫系統適用于高壓開關柜觸點及接點、刀閘開關、高壓電纜中間頭、干式變壓器、低壓大電流等設備的溫度監測。該裝置采用超低功耗技術設計,由嵌入式一體化觸摸屏、無線測溫收發器和無線溫度傳感器組成。無線溫度傳感器與主機信息交換通過無線信號傳送,不會影響系統的絕緣性能,使用安全。裝置具有隔離、安裝方便、抗干擾能力強、工作可靠等特點,解決了高電壓狀態下的接觸式溫度監測的安全問題。
無線溫度傳感器對溫度監測點進行溫度測量后,將溫度數據通過無線方式傳遞給無線測溫終端;通過總線連接,溫度監測計算機從無線測溫終端采集各監測點的運行溫度數據,在數據庫中作長期保存,實時顯示監測點的溫度變化曲線,并進行分析,一旦發現溫度過熱或急劇升溫至事先設置的報警溫度值時立即報警。同時,可方便地將存有溫度數據的上位機接入網絡,進行Web發布。無線測溫裝置測溫終端可設置可設置兩檔溫度報警值,溫度超過報警設定值,可驅動、蜂鳴器。該系統的應用分為民用和工業應用兩個方面。民用應用主要適用于室溫監測領域;工業應用主要適用于電力、鋼鐵、石化等領域,可對高壓電纜接頭及高壓開關柜觸點等處溫度進行實時監測,方便運維人員遠程掌握現場運行情況。
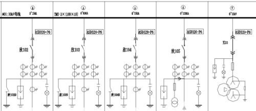
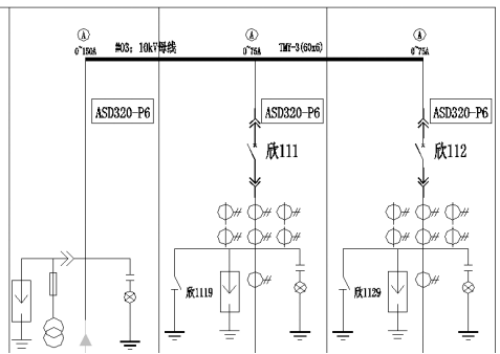
無線測溫方案配置案例


3.1無線測溫系統架構

3.2 系統配置

無線測溫系統功能
實時監測
安科瑞Acrel-2000無線測溫系統人機界面友好,能夠以配電一次圖的形式直觀顯示各測溫節點的溫度數據,及有關故障、告警等信號。

詳細溫度查詢
歷史溫度曲線、實時溫度曲線查詢、實時溫度數據查詢。



運行報表
查詢各回路設備運行溫度報表。


實時報警
安科瑞Acrel-2000無線測溫系統具有實時高溫報警功能。

用戶權限管理
安科瑞Acrel-2000無線系統為保障系統安全穩定運行,設置了用戶權限管理功能。通過用戶權限管理能夠防止未經的操作(如遙控的操作,數據庫修改等)。可以定義不同級別用戶的登錄名、密碼及操作權限,為系統運行、維護、管理提供可靠的安全保障。

定值設置
用于修改高溫定值、超溫定值。
5無線測溫系統特點
(1)無線測溫模塊安全可靠、安裝維護簡單,適合對中開關高電壓、大電流接點處進行溫度監測,被測設備的結構不需要變動。
(2)整個無線測溫系統可以通過無線方式通訊,信號傳輸方便。
(3)無線測溫系統抗干擾能力強,對脈沖干擾、快速瞬變干擾、靜電輻射、電磁場輻射等的抗干擾能力達到國家四級標準,同時設備運行不影響中壓開關的分、合閘操作以及保護裝置的動作。
結論
該配電工程用10kV無線測溫系統經過運行檢驗,已經證明可以滿足現場安全、穩定運行的要求。實現開關溫度在線實時監測,不僅降低了開關設備的維護檢修工作量,而且有效預防了重大事故的發生,對確保配電工程10kV設備的正常運行有重要意義,同時對其他公司進行設備無線測溫裝置改造工作具有一定的借鑒指導作用。
關于我們
公司簡介榮譽資質資料下載產品展示
Acrel-2000MG/B1光伏儲能電站微電網能量管理策略控制箱 DJSF1352-RN-2/S直流電能表用于充電樁 電信基站 光伏電站 ASCM5E低壓400V智能塑殼斷路器電量計量 四遙功能 AM5SE-PV110kV防逆流保護測控裝置 光伏發電系統保護 ADW600以太網 WIFI 4G無線通訊多回路物聯網電表服務與支持
技術文章新聞中心聯系我們
聯系方式在線留言版權所有 © 2025 安科瑞電氣股份有限公司 備案號:滬ICP備05031232號-31
技術支持:智能制造網 管理登陸 sitemap.xml